
橫河EJA115微小流量變送器帶有六種不同內徑的內藏孔板,內徑變化范圍從0.508mm到6.350mm。您可以選擇不同測量量程的差壓變送器和不同內徑的內藏孔板,就可以進行大范圍的微小流量測量,此款變送器是專門為測量微小流量而設計的。
EJA115微小流量變送器 將所測得的微小流量精確、準確地轉化為與所測流量相對應4~20mA DC的電流信號。
EJA115A系列變送器可與BT200/100,BRAIN手操器,HART275手操器或ERNTUM CS/XL手操器進行通訊,從而達到對它進行遠程監管與設定的目的。
一、EJA115微小流量變送器參數
輸出信號:4~20mA DC(帶數字通信的2線制)
參考精度:±5%量程
安裝:2-inch管道安裝
環境溫度:-40~85°C(-40~185°F) (一般型)
-30~80°C(-22~176°F)(帶內藏指示針)
接液溫度:-40~120°C(-40~248°F)(一般型)
環境濕度:5~100%RH(40°C時)
測量范圍:
| 膜盒 | 差壓量程 | 對應水流量(L/min) | 對應空氣流量(NL/min) |
|---|---|---|---|
| L | 1~10Kpa | 0.016~7.2 | 0.44~198 |
| M | 2~100Kpa | 0.022~23.0 | 0.63~635 |
| H | 20~210Kpa | 0.07~23.0 | 2.0~910 |
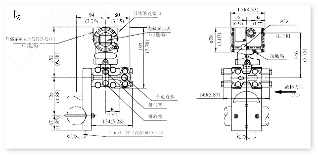
二、EJA115微小流量變送器外形及安裝說明圖
垂直配管安裝方式
安裝代碼2:管道連接在上
安裝代碼3:管道連接件在下
安裝代碼8:水平配管安裝方式
| EJA115微小流量變送器 | ||||
| L膜盒 | M膜盒 | H膜盒 | ||
| 水當量 | 0.016~7.2l/min | 0.022~23l/min | 0.07~33l/min | |
| 空氣當量 | 0.44~198Nl/min | 0.63~635Nl/min | 2~910Nl/min | |
| 差壓量程 | 1~10kPa (2~40inH2O) |
2~100kPa (8~400inH2O) |
20~210kPa (80~840inH2O) |
|
| 精度 | ±5% | ±5% | ±5% | |
| 防護等級 | IP67,NEMA 4X,和JIS C0920防浸型 | |||
| 防爆規格 | FM,CENELEC ATEX,CSA,TIIS,IECEx | |||
| 輸出信號 | 4~20mA DC或FOUNDATION™現場總線或PROFIBUS PA兩線制數字通信 | |||
| 電源 | BRAIN和HART: 10.5~42V DC (本安型: 10.5~30V DC) Fieldbus: 9~32V DC (本安Entity模式9~24V DC,本安FISCO模式9~17.5V DC) |
|||
| 環境溫度 | -40~85℃ (-40~185℉) (普通型) -30~80℃ (-22~176℉) (內藏指示器) |
|||
| 過程溫度 | -40~120℃ (-40~248℉) (普通型) | |||
| 最大工作壓力 | 3.5MPa (500psi) |
14MPa (2000psi) |
||
| 安裝 | 2-inch管安裝 | |||
| 接液部件材質 | 膜盒 | SUS316L(膜片: 哈氏合金C-276) | ||
| 孔板 | SUS316 | |||
| 容室法蘭 | SUS316 | |||
| 外殼 | 鋁合金或SUS316不銹鋼(可選) | |||
三、訂貨須知
請在訂貨時注明以下內容:
1、變送器型號、規格代碼以及附加規格代碼。
2、校正范圍和單位。
1)范圍的上限值和下限值(范圍必須在-32000~32000內)
2)單位:須從(出廠時設定值)的表中選定一個。
3、設置平方根輸出或線性輸出方式。
4、顯示的刻度和單位(僅帶內藏指示計時虛指定)分別指定0~100%刻度或實際單位,需工程單位時,則指定“范圍和單位”。
刻度范圍:范圍的上限值以及下限值(范圍得在-19999~19999內)
5、編號(僅在需要時指定)。
6、內藏孔的通徑和差壓范圍所需值。
如果您對本產品有購買或咨詢意向,請撥打本站首頁的求購熱線。 或者如您想瀏覽其他儀器儀表,請點擊本站首頁www.tzh-1.com 本公司提供產品型號、系列齊全,歡迎選購。 “以質量求生存,以信譽促發展”
