- 壓力變送器系列
- 通用型壓力變送器
- 工業型壓力變送器
- 衛生型壓力變送器
- 數顯型壓力變送器
- 高溫型壓力變送器
- 差壓型壓力變送器
- 潛水型壓力變送器
- 經濟型壓力變送器
- 智能型壓力變送器
- 高壓型壓力變送器
- 壓縮機專用壓力變送器
- 差壓變送器系列
- 智能壓力變送器
- 智能絕對壓力變送器
- 智能差壓變送器
- 智能微差壓變送器
- 智能高靜壓差壓變送器
- 智能單法蘭液位變送器
- 智能單法蘭插入式液位變送器
- 智能遠傳差壓變送器
- 智能遠傳插入式差壓變送器
- 智能遠傳壓力變送器
SLK530無腔平膜型壓力變送器

產品概述
SLK530無腔平膜型壓力變送器采用高精度箔式應變計,配以多種具有特色的放大電路,如抗干擾型、耐高溫型,本安防爆型等,使得該型適用于多種工作環境,加之無腔結構特點,尤適于測量粘度大和泥漿,水泥,原油等有顆粒的流體行業的壓力測量場合。
產品特點
1、高精度箔式應變計
2、無腔測量膜片
3、耐磨損
4、寬溫度工作范圍
5、大型DIN接頭,安裝使用方便,可靠性高
6、改進優化的電路及安裝結構,提高了抗震動能力和穩定性
性能參數
適用范圍
重型設備配套,高壓力,高負載,高沖擊,頻繁過載的領域…
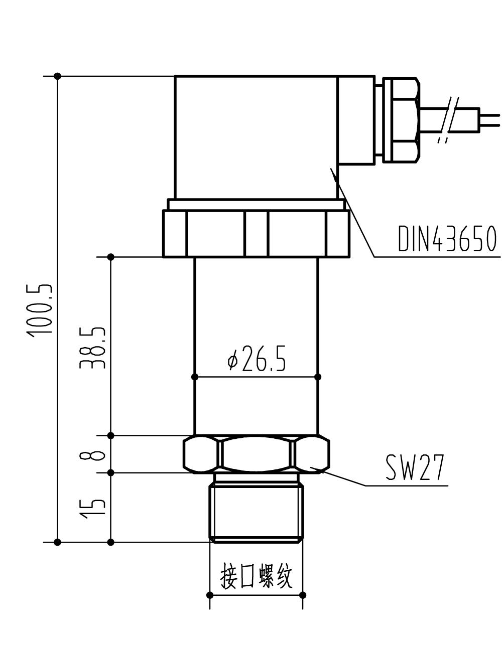
外形結構及接線方式
SLK530無腔平膜型壓力變送器采用高精度箔式應變計,配以多種具有特色的放大電路,如抗干擾型、耐高溫型,本安防爆型等,使得該型適用于多種工作環境,加之無腔結構特點,尤適于測量粘度大和泥漿,水泥,原油等有顆粒的流體行業的壓力測量場合。
產品特點
1、高精度箔式應變計
2、無腔測量膜片
3、耐磨損
4、寬溫度工作范圍
5、大型DIN接頭,安裝使用方便,可靠性高
6、改進優化的電路及安裝結構,提高了抗震動能力和穩定性
性能參數
| 量程范圍 | -100kPa~0~10kPa…150MPa |
| 壓力類型 | 表壓 |
| 供電電源 | 24V |
| 輸出信號 | 4~20mA、0~5V、1~5V、0~10V |
| 工作溫度 | -40℃~85℃、-40℃~120℃可選 |
| 補償溫度 | O℃~70℃、-20℃~85℃ 可選 |
| 儲存溫度 | -40℃~125℃ |
| 零點溫度誤差 | 0.5%FS/10℃ |
| 滿量程溫度誤差 | 0.5%FS/10℃ |
| 過載壓力 | 135%FS(量程≤15MPa);120%FS(量程≥15MPa) |
| 破壞壓力 | 200%FS(量程≤10MPa);150%FS(量程≥10MPa) |
| 負載能力 | ≥[(供電電壓-6.5V)/0.02A]Ω |
| 機械壽命 | ≥500 萬次壓力循環 |
| 綜合精度 | 0.5級 |
| 絕緣電阻 | ≥500MΩ/1000VDC |
| 長期穩定性 | ±0.25%FS/年 |
| 介質兼容 | 與 17-4PH 不銹鋼兼容的液體或氣體 |
重型設備配套,高壓力,高負載,高沖擊,頻繁過載的領域…
外形結構及接線方式
| 量程范圍 | 0~3MPa | 1.6MPa~150MPa |
| J1:直接引線 |
![]() |
![]() |
| J2:赫斯曼 |
![]() |
![]() |
|
接線方式 (2線電流) |
針1:電源+ 針2:電流輸出 |
針1:電源+ 針2:電流輸出 |
|
接線方式 (3線電壓) |
針1:電源+ 針2:共地 針3:電壓輸出 |
針1:電源+ 針2:共地 針3:電壓輸出 |
安裝示意

安裝提示:
⑴ 本產品可利用M20×1.5接口直接安裝在管道上(或容器壁上),安裝時螺紋前端應加紫銅墊或尼龍墊進行前端面密封。并且,無腔壓力變送器螺紋前端的平膜感應頭不能碰觸到安裝部分的前端和邊壁。否則會影響壓力變送器的性能。
⑵ 在測量溫度過高的介質時,應使用引壓管或其他冷卻裝置,把溫度降至壓力變送器使用溫度范圍內。
⑶ 露天安裝時,應盡量把變送器置于通風干燥處,避免強光直接照射和雨淋,否則將會使性能變差或出現故障。
⑷ 若安裝后發現變送器無輸出或輸出異常,請檢查:
① 電氣連接是否準確,是否牢固;
② 供電電壓是否過低以及負載電阻是否過大。
訂購指南
| 產品名稱 | ||||||||||
| SLK530無腔平膜型壓力變送器 | ||||||||||
| 量程范圍 | ||||||||||
| 根據客戶要求直接填寫 | ||||||||||
| 電源 | ||||||||||
| V1:24V DC 、V2:(12V~36V)DC | ||||||||||
| 輸出信號 | ||||||||||
| B1:4~20mA、B2:0~10V、B3:1~5V、B4:0~5V、 | ||||||||||
| 接口螺紋 | ||||||||||
| C1:M20×1.5、C2:G1/2、C3:NPT1/2、C4:G1、C5:其它螺紋 | ||||||||||
| 附加信息 | ||||||||||
| J1:直接引線、J2:赫斯曼 | ||||||||||
| P1:0.5%FS、P2:0.25%FS | ||||||||||
| SLK530 | 1MPa | V1 | B1 | C1 | J1P1 選型舉例:SLK530-1MPa-V1-B1-C1-J1P1 | |||||
表示型號為SLK530、量程為0~1MPa、供電電源為24V、輸出信號為4~20mA、螺紋接口為M20×1.5、電氣連接為直接引線、精度為0.5%。
▲訂購提示
(1) 選型時請注意被側介質與產品接觸部分的兼容性。
(2) 若對產品外形和性能參數有特殊要求,本公司可提供定制。
產品信息歸西安仕樂克儀表科技有限公司版權所有
http://www.tzh-1.com/view-76-1.html
相關文章推薦:壓力變送器選取壓點應符合的幾個規定 壓力變送器的正負遷移 壓力變送器微調的具體操作步驟 供熱電廠壓力變送器工作原理 壓力開關與傳感器的設計了解 壓力變送器在冬季如何防凍保溫【儀表防凍通用 壓力變送器的正負遷移 如何延長壓力變送器的使用壽命 智能壓力變送器的作用及特點 常用壓力變送器的工作原理和特點 壓力變送器系列中的五大分類 壓力變送器主要從哪些方面檢定技術 擴散硅壓力變送器在水位控制系統中的應用 壓力變送器使用時需要注意哪些事項 壓力變送器主要作用
上一篇:法蘭平膜型壓力變送器
下一篇:沒有了






