- MORE 產品快速導航
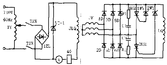
某廠主要煉油裝置采用加拿大進口的無刷勵磁高壓同步電動機。圖 1 是煉油廠 4kV , 60Hz , 765HP 氫壓機縮機用電動機的勵磁電路圖。

圖1
1 、工作原理如下:圖中虛線框內為旋轉部分。在同步電動機主軸上安裝一臺三相交流勵磁發電機,該勵磁發電機的定子繞組和轉子繞組與一般交流發電機相比是反裝的,即定子勵磁,轉子發電。定子勵磁繞組JLQ ,由 120V , 60Hz 電源經調壓器 TY 調壓,再由硅整流器 1ZL 整流后供給直流勵磁電源,與主軸一起旋轉的轉子繞組 JF 發出三相交流電,該三相交流電經硅整流管 1D ~ 6D 整流后供給同步電動機轉子繞組 LQ 勵磁電流。調節交流發電機定子勵磁繞組 JLQ 的勵磁電流,就可使勵磁發電機的轉子所發出的三相交流電壓得到調整,從而改變同步電動機轉子勵磁繞組 LQ 的勵磁電流。同步電動機起動或停車時的滅磁環節和同步電動機 的投勵環節都安裝在轉子上,均在旋轉狀態下工作。這種由勵磁發電機從轉子發電,整流器在旋轉狀態下進行整流供給同步電動機 轉子勵磁的方式,就不再需要有靜止部分和轉動部分之間的相互接觸導電,完全省去了電刷和滑環的接觸。
2 、故障現象:在一次正常停機后,再啟動時發現該機空載電流由原來的 20A 增大到 50A (額定電流是 78A ),稍加負載后,電流即緩慢上升,幾秒鐘后,因過電流而保護停機,檢查負荷無問題,高壓柜控制正常,增大 JLQ 勵磁繞組勵磁電流時,電機定子電流減小。
3 、故障分析處理:因電機能正常啟動,說明電機控制回路基本正常,問題可能出在勵磁回路,根據同步電動機的特性。如果在欠勵區,勵磁電流增加,電機定子電流減小,由上述現象,得到電機工作在欠勵狀態,但測量 JLQ 勵磁線圈電流,卻為正常值 5A ,所以問題可能在旋轉整流器上。
處理過程簡述如下:
3.1 、該機功率因數表已壞,為了確定是否勵磁有故障,啟動后從 60Hz 電源(變頻發電機)出線得知有功增加 0.1MW ,無功增加 0.3MVAR ,同步機 JLQ 繞組勵磁電流增大至額定值時,勵磁發電機工作基本正常。
3.2 、打開電機蓋,檢查電機各繞組無變色、霉斷等現象,檢查無刷勵磁部分,發現其穩壓管 1WY 損壞,另一個引線松動,更換后再啟動,故障仍未消除。
3.3 、停車馬上檢查各部分發熱情況,發現可控硅 2KGZ 發熱稍大,拆開勵磁發電機出線和主勵磁引線,測量各元件,發現 2KGZ 損壞,引起勵磁發電機一相短路,產生欠勵導致電磁轉矩太小不能牽入同步。
3.4 、該可控硅型號為 GRWQ59 ,因無備件,且本地市場無該件購買,決定采用外形尺寸差不多的 500A/2KV 國產單向可控硅代用,更換后,運行正常。
4 、小結
無刷勵磁裝置,因工作時不能檢查其電壓、波形等參數,檢查故障較為麻煩,只能從外部參數確定大概范圍,再用靜態測量的方法,檢查其故障點。從該機故障的情況看,是因為穩壓管損壞,啟動時可控硅不導通,主轉子開路過電壓無法消除,引起可控硅 2KG2 擊穿短路,由于可控硅擊穿后,由原理圖看出將會引起勵磁發電機 JF 一相短路造成主勵磁電流不足,引起本故障。為防止電機工件因環境不太好造成銹蝕而引起其它故障,所以本次檢修后,在整流器表面刷上一層絕緣漆,以保護這些元件免受環境不良而損壞。

