摘要:針對雙方液位計遷移量計算錯誤,零點設定不當的問題,本文主要介紹了雙法蘭差壓變送器測量原理以及測量液位時由于遷移量和零點設定不當所產生的故障,并給出了詳細的原因分析及解決方法。
在煉油、石油化工生產、煤化工和煤制油等工業領域,液位是最重要的工藝參數之一,測量液位的儀表種類繁多,如浮力式液位計、雷達液位計、放射性液位計、超聲波液位計、電容式液位計、音叉液位開關和差壓式液位計等。其中雙法蘭差壓液位計以其精度高、穩定性好、測量范圍廣、測量精度高、安裝方便等優點備受化工生產的青睞。
雙法蘭差壓液位計能對變送器的參數進行修改,可以與具有相同通訊協議的DCS系統或現場通訊控制、設定器進行數據通訊交換。在我廠合成氨生產裝置的各個環節中,我們多處利用雙法蘭差壓變送器測量鍋爐汽包、表面冷凝器、壓縮機段間分離器、氨冷器以及噴射蒸汽發生器(111~C)的液位。
1差壓變送器原理簡介
雙法蘭液位變送器由差壓變送器、毛細管和帶密封隔膜的雙法蘭組成。密封隔膜的作用是防止管道中的介質直接進入差壓變送器,它與變送器之間是靠注滿液體的毛細管連接起來,當膜片受壓后產生微小變形,變形位移通過毛細管的液體傳遞給變送器,由變送器處理后轉換輸出4—20mADC 電流信號。
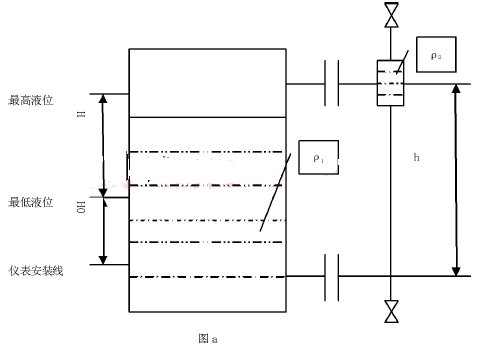
在對雙法蘭液位變送器的量程和遷移量的匯總核實時,發現變送器量程存在選擇不當,遷移量設置錯誤的情況,這是造成儀表測量不準的重要原因。如圖a。

雙法蘭差壓變送器量程的計算公式為:
![]()
零點遷移量計算公式為:
![]()
其中△P為雙法蘭液位變送器的量程(單位:KPa);H為被測容器內的液位高度(單位:m);g為重力加速度(單位:9.8m/s2);
ρ1為被測介質密度(單位:kg/m3);ρ2為毛細管內填充甲基硅油的密度(單位:kg/m3);S 為零點遷移量(單位:KPa);h 為雙法蘭間距;
由公式(1)、(2)可得,通過雙法蘭差壓變送器測量液位得到的結果,其準確程度與變送器的安裝位置無關,與被測容器內也為高度H、被測介質的密度ρ1以及毛線管內填充液體密度ρ2有關,變送器零點必須進行負遷移,遷移零點的原理見圖b

2故障案例及原因分析
(1)事件過程
2015 年9 月22 日塔西南化肥廠合成氨裝置103~J/JT 跳車。檢查發現段間分離器105~F液位高開關聯鎖動作,雙法蘭液位變送器LT~11指示為零,將機組段間分離器底部導淋打開排出大量的水,經檢查該雙法蘭液位計的遷移量偏差嚴重;量程也和設計嚴重不符,現場安裝使用的變送器量程為62.3Kpa,而設計量程僅為3Kpa。
(2)原因分析
差壓變送器未按設計選型訂購;以及儀表人員對雙法蘭液位計的遷移量計算存在認識上誤區,一般只注重灌水的調試,并未查看設計資料根據原始數據以及生產需要進行準確遷移。下表c為錦西化工機械廠針對我廠LT~11的設計數據表

由上表c知;
最大測量范圍(量程)![]()
3 問題解決
通過以上分析,我們發現,由于摩擦副的運動速度較快,加上不銹鋼下料盤為配對摩擦副,原設計中使用球墨鑄鐵材料,希望通過材料中的球墨成份來解決潤滑問題,并不太成功,加上使用環境較為惡劣,使的設備磨損比設計者希望的更為嚴重。這樣的摩擦副怎么解決潤滑問題呢?關于平面摩擦摩擦副設計的文章較少,相關的設計依據難以找到。但我們可以將該摩擦副視為一對滑動軸承上的摩擦副,根據相關材料說明,在p<1MPa,v<1m/s時,可以使用鑄鐵作為摩擦副,但由于此處速度高于1m/s,考慮到球墨有一定潤滑作用,實際運行中的溫升并沒有劇烈到嚴重超溫的情況,所以,可以在不變更原摩擦副材料的基礎上,在球墨磨盤上增大其加脂槽,并加強加脂管理,應該可以解決問題。
為此,我們在球墨磨盤的中心開出如圖形狀的加脂槽,槽深8mm。相對原來的加脂槽,現在的加脂槽面積大為增加,占到磨盤面積的25%左右,表面壓強有一定增加。考慮到原來的壓強較小,即使減小了摩擦副的接觸面積,對摩擦副的運行狀況影響也比較小。
同時,又修理了原來的加脂系統,使之便于操作。并規定操作人員每天給球墨磨盤中心加入潤滑脂。考慮到摩擦副的工作負荷小,速度相對比較快,按照相關手冊,選用2號鈣基脂,脂的錐入度265~295,滴點大于85℃,流動性較好。
上圖為球墨磨盤工作情況的圖片,從圖中可以看出潤滑脂從摩擦副中慢慢滲出的情況,滲出的脂中攜帶了很多粉塵,其顏色和物性都發生了變化,改造后,系統排脂量加大,有利于粉塵的帶出。
對加脂槽系統改造后,球墨磨盤的溫度從80℃降低到30℃以下,運行一年多,效果良好。
目前,我們還在致力于進行大顆粒廠房粉塵問題的解決,當粉塵問題解決時,摩擦情況將得到進一步的優化。
4 結語
本文對大顆粒裝置震動給料器摩擦副的工作原理、受力、摩擦要素和潤滑情況綜合分析,分析出原設計的不足之處,在原系統中進行了小的改造,以較小的成本取得了成功。這說明,摩擦設計是非常復雜的,涉及的因素非常多,對潤滑系統的故障要從設計、選材、受力分析、環境影響分析等多方面著手,方能取得圓滿效果。
相關文章推薦:雙法蘭液位變送器在焦化生產中的安裝測量計算液位的案例詳解、隔膜式雙法蘭差壓變送器測量液氨儲罐液位的原理、注意事項以及常見故障分析、